首页
关于我们
公司概况
企业文化
发展历程
企业荣誉
公司架构
核心产品
全自动玻璃盖板印刷系
全自动烘烤炉系列
3D玻璃全制程系列
其他
新闻中心
公司动态
行业资讯
视频中心
投资者关系
实时行情
公告
信息披露
招贤纳士
员工福利
招贤纳士
投送简历
江南(中国)
EN
/
中文
语言
导航
EN
中文
首页
关于我们
公司概况
企业文化
发展历程
企业荣誉
公司架构
核心产品
全自动玻璃盖板印刷系
全自动烘烤炉系列
3D玻璃全制程系列
其他
新闻中心
公司动态
行业资讯
视频中心
投资者关系
实时行情
公告
信息披露
招贤纳士
员工福利
招贤纳士
投送简历
江南(中国)
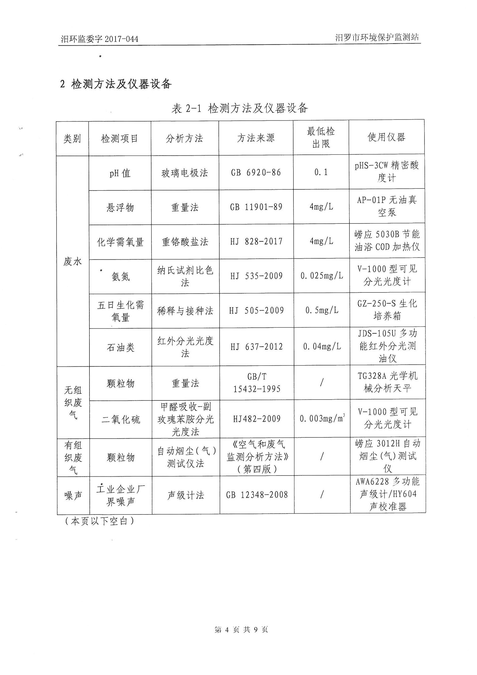
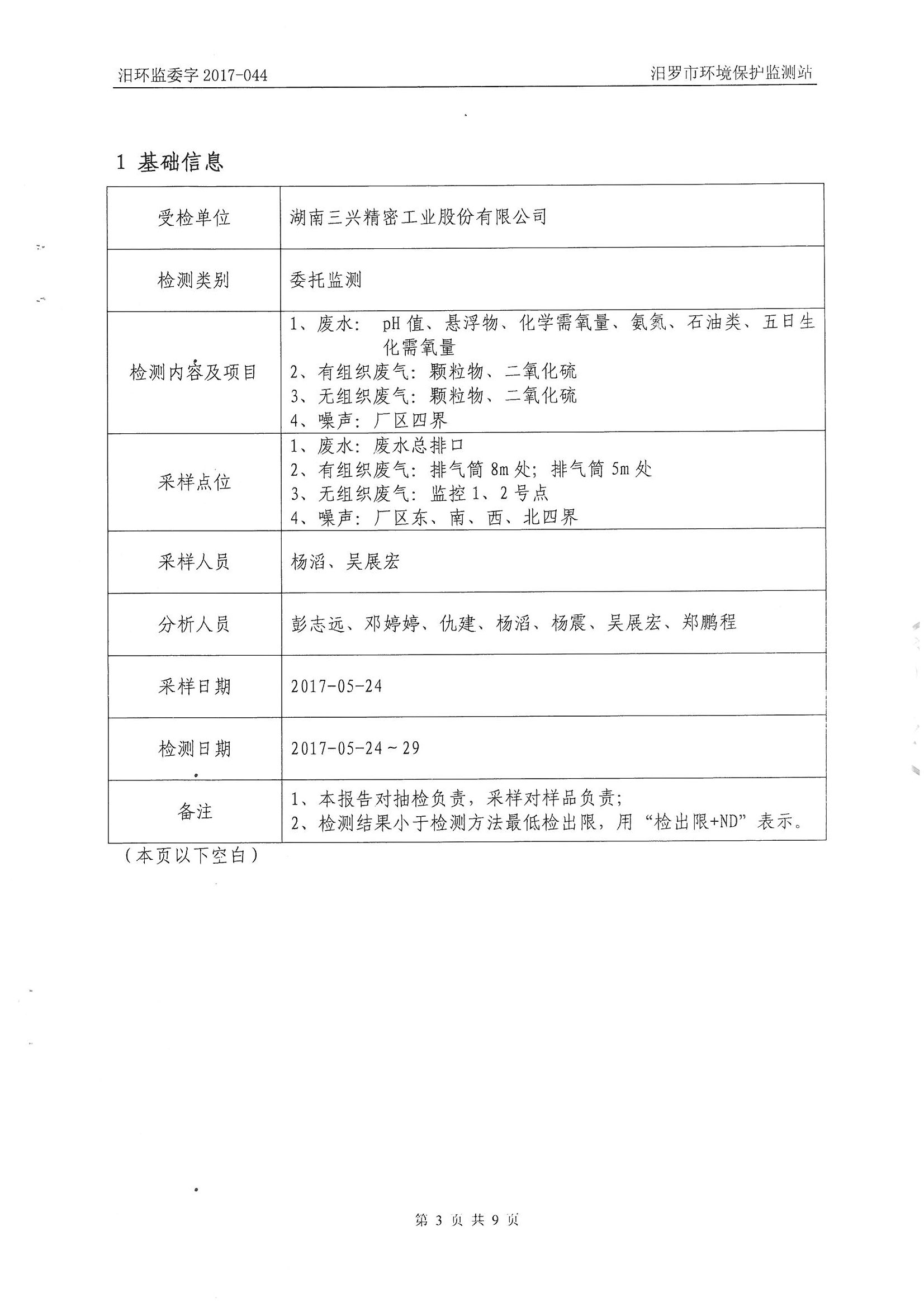
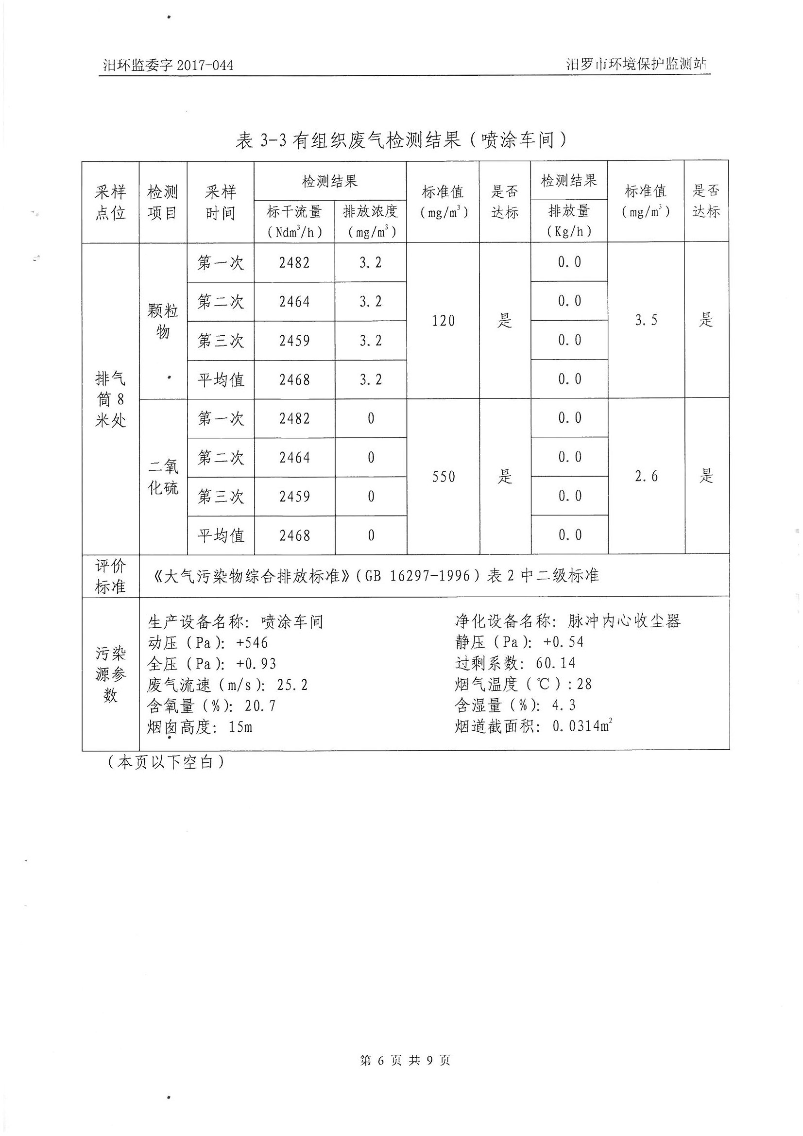
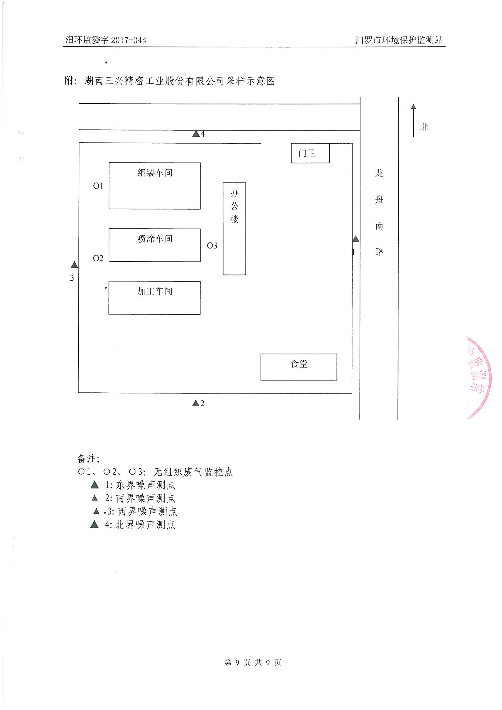
江南官方站网页版环保监测报告
所属分类:
公司动态
发布时间:
2017-08-22
分享到:
Copyright © 2014-2016 江南官方站网页版 版权所有 湘ICP备17016185号 执照认证链接
关闭
江南在线登录入口
|
乐动在线官网
|
xingkong星空平台(中国)集团
|
半岛网页版登入界面
|
欧宝app官方端入口
|
半岛官方网页版
|
江南手机登录中心
|
安博web版登录入口
|